Schematic and Guide DB

subaru wiring diagram color codes

Subaru Outback Driving Light Wiring Diagram - Complete Wiring Schemas. 17 Pictures about Subaru Outback Driving Light Wiring Diagram - Complete Wiring Schemas : 29 Subaru Wiring Diagram Color Codes - Wiring Database 2020, Subaru Outback Driving Light Wiring Diagram - Complete Wiring Schemas and also 00 Impreza TCU wiring diagram needed - Subaru Impreza GC8 & RS Forum & Community: RS25.com.

Subaru Outback Driving Light Wiring Diagram - Complete Wiring Schemas

Subaru Outback Driving Light Wiring Diagram - Complete Wiring Schemas wiring89.blogspot.com

outback

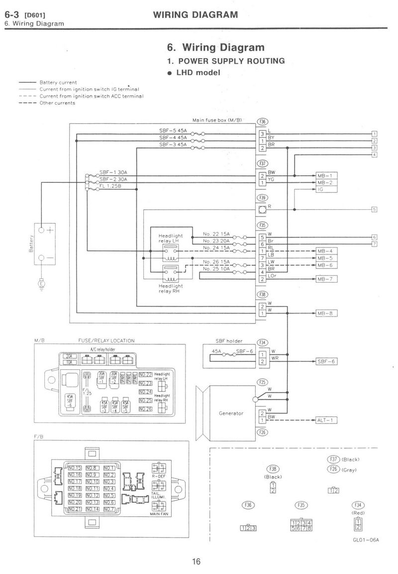
Subaru Legacy Service Manual - How To Read Wiring Diagrams - Basic Diagnostic Procedure

Subaru Legacy Service Manual - How to read wiring diagrams - Basic diagnostic procedure www.sulegacy.com

diagrams wiring read identify following subaru legacy connector manual service easily symbols basic

Wiring Diagram Subaru Impreza 2015 - Wiring Diagram Schemas

Wiring Diagram Subaru Impreza 2015 - Wiring Diagram Schemas wiringschemas.blogspot.com

1968 Plymouth Fury Wiring Diagram | Schematic And Wiring Diagram

1968 Plymouth Fury Wiring Diagram | schematic and wiring diagram schematicandwiringdiagram.blogspot.com

plymouth naa

29 Subaru Wiring Diagram Color Codes - Wiring Database 2020

29 Subaru Wiring Diagram Color Codes - Wiring Database 2020 rachelleogyaz.blogspot.com

wiring diagram subaru codes

914World.com > Subaru Swap - Alternator Wiring

914World.com > Subaru Swap - Alternator wiring www.914world.com

subaru diagram wiring alternator 914world dash directly charge connection alt goes factory working am

1966 Mustang Radio Wiring | Worksheets And Wiring Diagram Database

1966 Mustang Radio Wiring | Worksheets and Wiring Diagram Database rabbitholeoxford.blogspot.com

fuse

CLARK FORKLIFT PARTS MANUAL - Auto Electrical Wiring Diagram

CLARK FORKLIFT PARTS MANUAL - Auto Electrical Wiring Diagram ewiringdiagram.herokuapp.com

clark

Subaru Justy Radio Wiring Diagram - Complete Wiring Schemas

Subaru Justy Radio Wiring Diagram - Complete Wiring Schemas wiring89.blogspot.com

Chevy Sonic Stereo Wiring Diagram - Wiring Diagram

Chevy Sonic Stereo Wiring Diagram - Wiring Diagram cars-trucks24.blogspot.com

wiring sonic c20

Pin Di Wiring Diagram

Pin di Wiring Diagram www.pinterest.com

wiring impreza tribeca wrx chevy esteem bancait sti buharman ej22 ej5 ground

2008 Subaru Impreza Fuse Box Diagram - 2006 Acura Tl Fuse Box Diagram Wiring Diagram B100

2008 Subaru Impreza Fuse Box Diagram - 2006 Acura Tl Fuse Box Diagram Wiring Diagram B100 wiring08.blogspot.com

impreza subaru imageservice

Wiring Diagram | Original Subaru Justy Forum

Wiring diagram | Original Subaru Justy Forum subarujusty.proboards.com

wiring diagram subaru gmt subru oct

2004 Nissan 350z Headlight Wiring Diagram - Wiring Diagram

2004 Nissan 350z Headlight Wiring Diagram - Wiring Diagram wiringdiagram101.blogspot.com

350z my350z 370z

00 Impreza TCU Wiring Diagram Needed - Subaru Impreza GC8 & RS Forum & Community: RS25.com

00 Impreza TCU wiring diagram needed - Subaru Impreza GC8 & RS Forum & Community: RS25.com www.rs25.com

diagram gc8 wiring impreza dash subaru tcu needed wrx sti

Wiring Diagram Subaru Impreza 2015 - Cambiar La Ecu Standar De Subaru Sti 95 Por Una Ecu De R/A

Wiring Diagram Subaru Impreza 2015 - cambiar la ecu standar de subaru sti 95 por una ecu de R/A diynanoleaf.blogspot.com

impreza crosstrek 1995 bestbuysubaru

Wiring Diagram Terminal Designations - Subaru Retrofitting - Ultimate Subaru Message Board

wiring diagram terminal designations - Subaru Retrofitting - Ultimate Subaru Message Board www.ultimatesubaru.org

wiring diagram designations terminal edited march subaru

2004 nissan 350z headlight wiring diagram. Wiring diagram subaru gmt subru oct. 1968 plymouth fury wiring diagram